Blog

Diálogos en alta resolución. Entrevista a Ricardo Céspedes estudiante del Doctorado en Ciencias mención Neurociencia.

“Estoy estudiando los efectos de la fotobiomodulación y fármacos antidiabéticos en la retinopatía diabética”

La retinopatía diabética es el daño que se produce en el ojo cómo consecuencia de la diabetes. “Cuándo sube mucho el azúcar en la sangre se comienza a dañar el ojo produciendo hemorragias y acumulación de grasa en el ojo”, explica Ricardo Céspedes quién es Tecnólogo médico con mención en oftalmología y optometría de la Universidad de Valparaíso. Actualmente, Ricardo se encuentra estudiando los efectos de la fotobiomodulación y el potencial efecto de fármacos antidiabéticos en la patología de retinopatía diabética cómo objetivo principal de su investigación para obtener el grado de Doctor en Ciencias mención Neurociencias en la Universidad de Valparaíso.

Ricardo ya ha defendido exitosamente su proyecto de tesis y se encuentra en etapas avanzadas de su tesis Doctoral. En el marco de su investigación, nos cuenta que ha realizado cultivos de retina y ensayos en ratones transgénicos con un receptor de leptina alterado. La leptina es una proteína que regula la saciedad y al estar alterada, los ratones no sienten saciedad, lo que permite simular las condiciones metabólicas asociadas a la diabetes. 

Una investigación de alto impacto en la salud pública 

Esta investigación tiene gran relevancia a nivel nacional, ya que la diabetes afecta al 10% de la población mundial, y Chile no es la excepción a la regla. “De los pacientes diabéticos,  el 30% ya presenta retinopatía diabética al momento de ser diagnosticados; luego de 10 años de haber sido diagnosticados ésta cifra aumenta a un 60%,  y a tras 20 años alcanza el 80%” menciona Ricardo. La retinopatía diabética es una de las principales causas de ceguera en adultos, lo que resalta la importancia de buscar nuevas estrategias terapéuticas. 

El rol del HUB de microscopía

Para descifrar qué sucede con éstos modelos experimentales, Ricardo ha decidido incorporar diversas técnicas de microscopía, incluyendo la microscopía óptica, microscopía de fluorescencia confocal y microscopía electrónica de transmisión, lo que lo ha llevado a utilizar los servicios del HUB de microscopía de la Universidad de Valparaíso, dónde ha recibido asesoría técnica para mejorar la calidad de las imágenes. 

“El personal científico-técnico del HUB me ha colaborado para optimizar la toma de imágenes a través de ajustes en la intensidad de fluorescencia, escalas y análisis de las imágenes”, comenta Ricardo.

Cuándo le preguntamos a Ricardo los desafíos que ha enfrentado en microscopía, nos explica: “El mayor desafío ha sido la autofluorescencia que tiene de por sí la retina, en un momento intenté hacer un bleaching para bajar la autofluorescencia. Otro desafío ha sido minimizar el ruido de fondo para analizar las imágenes y obtener resultados más claros y precisos”

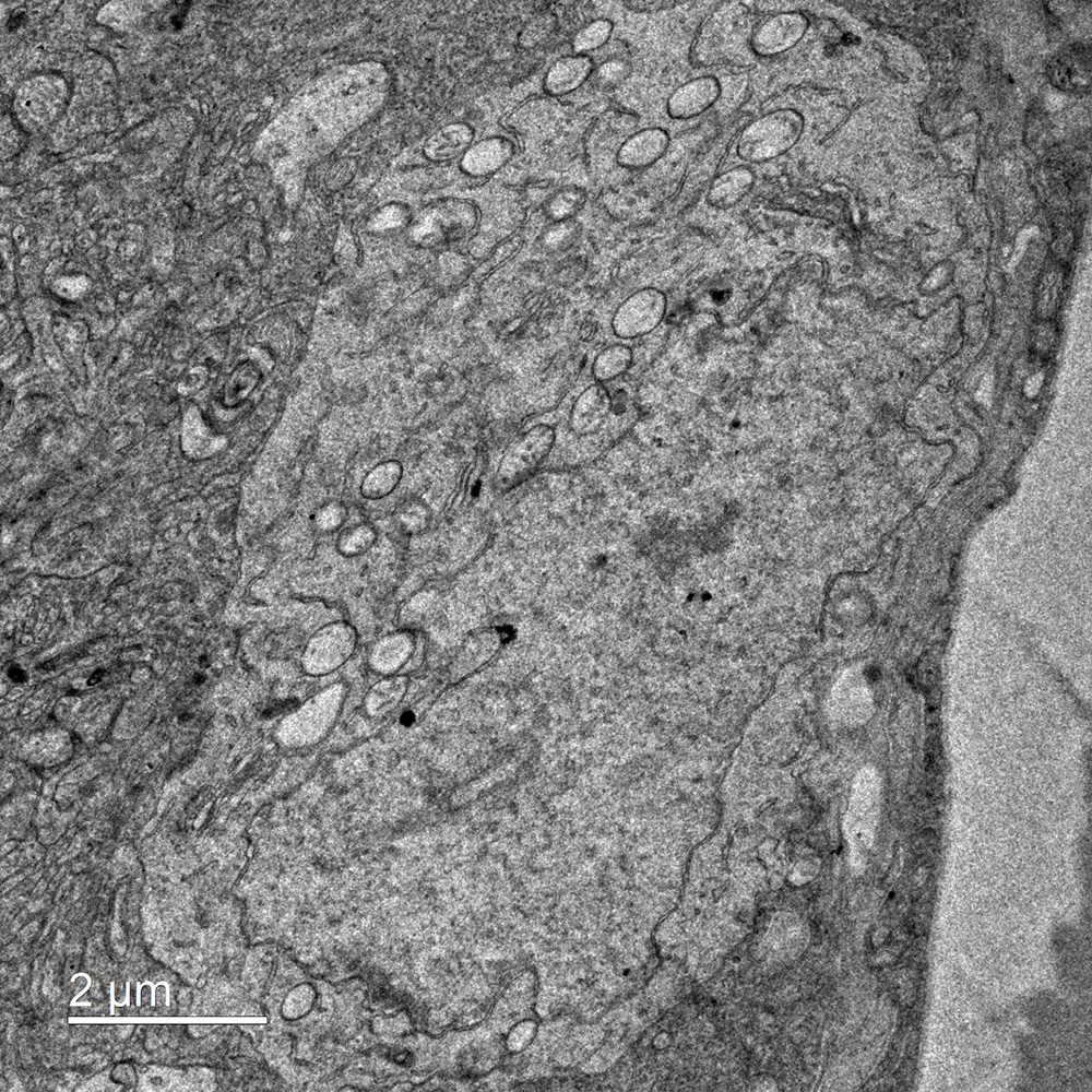
A pesar de los desafíos enfrentados, Ricardo ha podido observar distintas particularidades morfológicas de la retina, cómo las capas celulares que la componen, así cómo también ha podido estudiar a través de microscopía electrónica de transmisión (TEM) la condensación de la cromatina de los núcleos de las células, la forma de las mitocondrias y la ultraestructura de los vasos sanguíneos.

Experiencias y aprendizajes destacados

Finalmente al preguntarle a Ricardo sobre algún momento memorable en su trayectoria, en dónde destaca la oportunidad de participar en eventos internacionales y la posibilidad de profundizar en las técnicas que lleva a cabo en su tesis doctoral: “Uno de los mejores momentos ha sido cuándo asistí a un curso de la IBRO sobre transmisión sensorial. Fue un ciclo de charlas desarrolladas a través de un curso teórico-práctico, donde se aplicaron técnicas asociadas a la microscopía”.

También Ricardo, valora positivamente el apoyo recibido en el HUB de microscopía “el trato con los profesionales del HUB de microscopía ha sido excepcional, ya que ha podido obtener un trato amable, acogedor y con buena asesoría para realizar mis experimentos” a lo que agrega, cómo recomendación para futuros estudiantes es que “Primero revisen las muestras control para definir qué observar específicamente en el microscopio. Esto les permitirá planificar mejor los grupos de estudio y optimizar el análisis de los resultados”. 

Agradecemos a Ricardo Céspedes por compartir su experiencia y le deseamos mucho éxito en el desarrollo de su investigación.

Ricardo realizando una tinción para microscopía óptica
Inmunomarcaje de corte de retina de ratón homocigoto.
Ultraestructura de una célula ganglionar de retina de ratón heterocigoto.
Ricardo Céspedes, Doctorante en Ciencias mención Neurociencia UV.

Comparte esta noticia →

Otras Noticias

El HUB de Microscopía UV destaca en reportaje sobre investigación científica regional

El HUB de Microscopía de la Universidad de Valparaíso está marcando un antes y un después en la investigación científica de la región. Su modelo colaborativo y su tecnología de punta están impulsando descubrimientos que conectan a universidades, empresas y centros de investigación en torno a un mismo objetivo: expandir los límites del conocimiento. Descubre cómo este espacio se ha convertido en un referente estratégico para la ciencia en Chile.

Continuar leyendo →

Inauguración del HUB de Microscopía: Espacio para la ciencia, la innovación y la colaboración

La Universidad de Valparaíso dio un paso clave en el fortalecimiento de la ciencia regional con la inauguración del nuevo HUB de Microscopía. Un espacio que reúne a investigadores, instituciones y empresas para impulsar la innovación, la colaboración interdisciplinaria y el acceso a tecnología científica de primer nivel. Conoce cómo este hito promete transformar el ecosistema científico del país.

Continuar leyendo →